Soft Shift Solenoid Directional Control Valve HD-G02/G03-S SERIES
Description of Model
HD-3C2-G0*-LW-B-S-RF
| HD | *** | G02/G03 | LW/DL | |
| Directional control valve | Spool Type |
Valve size | Wiring Connection Type | |
| High flow wet pin Solenoid Diection valve (plug-in board type) |
Refer to 技術支援 The List Of Spool Function |
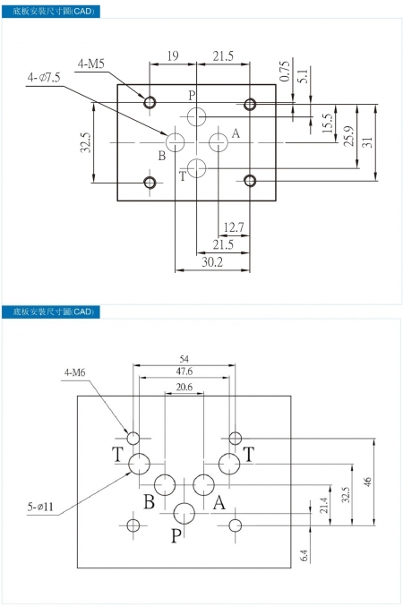
G02 1/4" (D03)(NG06) G03 3/8" (D05)(NG10) |
LW: Box Type |
DL: Din Type |
| B/E | S | DC/RF | ||||
| SERIES NO. | Special type NO. | Voltage(V) | ||||
| B series High efficiency and Low current Solenoid Directional control valve | E series Standard High Flow Wet Pin design valve |
Soft shift type | DC12 | DC24 | RF110 | RF220 |
Feature
- The special design of the dual flow control and mechanical damping.
- Reducing shock and vibration to make machine running smoothly.
- The coil with protection circuit to improve life time
- Coil and RF connector with pilot light are separate design, can be replaced individually.
- The DC electric connector contains a surge protector.
Notes
- The soft shift type only applies to DC,RF type coil.
- In this type without AC voltage.
- The soft shift type's tube can't interchange with the general type
- RFN coil need RF dedicated connector. Otherwise, would has a poor rectify efficiency, a poor start function and coil burnt.



